原理图设计建议
最小系统设计
时钟电路
系统时钟
A210芯片内部的振荡器电路与外置的 24MHz 晶体一起构成系统时钟,如下图所示。OSC_CLK_IN 和 OSC_CLK_OUT 网络之间预留 510Kohm, 1% Feedback 电阻,默认不焊接。

说明
- 选用晶体的激励功率值不超过 100uW,ESR 小于 80ohm。
- 晶体负载电容请根据实际使用的晶体的 CL 电容值选择,并控制常温下的频率容限在 30ppm 以内。
- 12pF 为我司选用晶体所对应容值,并不为通用值,负载电容材质建议采用 C0G 或 NP0。
- 建议采用贴片 4Pin 晶体,其中 2 个 GND 管脚与 PCB 板的地充分连接,加强时钟抗 ESD 干扰能力。
系统时钟还可以直接由外部的有源晶体电路产生时钟,时钟幅度为 1.8V。工作情况下,时钟通过 OSC_CLK_IN 脚输入,OSC_CLK_OUT 管脚悬空。时钟参数如下表所示。
| 参数 | 规范 | 描述 | ||
|---|---|---|---|---|
| 最小 | 最大 | 单位 | ||
| 频率 | 24.000000 | MHz | ||
| 频偏 | ±30 | ppm | ||
| 时钟幅度 | 1.8 | V | 峰峰值 | |
| 工作温度 | -20 | 80 | ℃ | |
| ESR | / | 80 | Ohm | |
RTC 时钟
A210 芯片内部的振荡器电路与外置的 32.768KHz 晶体一起构成 RTC 时钟,如下图所示。RTC_CLK_IN 和 RTC_CLK_OUT 网络之间预留 4.7Mohm 电阻,默认不焊接。

说明:
- 选用晶体的激励功率值不超过 1uW,ESR小于 70Kohm。
- 晶体负载电容请根据实际使用的晶体的 CL 电容值选择,并控制常温下的频率容限在 30ppm 以内。
- 12pF 为我司选用晶体所对应容值,并不为通用值,负载电容材质建议采用 C0G 或 NP0。
RTC时钟还可以直接由外部时钟源输入,时钟幅度为 0.8V。工作情况下,时钟通过 RTC_CLK_IN 脚输入,RTC_CLK_OUT 管脚悬空,时钟参数如下表所示。
| 参数 | 规范 | 描述 | ||
|---|---|---|---|---|
| 最小 | 最大 | 单位 | ||
| 频率 | 32.768000 | KHz | ||
| 频偏 | ±30 | ppm | ||
| 时钟幅度 | 0.8 | V | 峰峰值 | |
| 占空比 | 45 | 55 | % | |
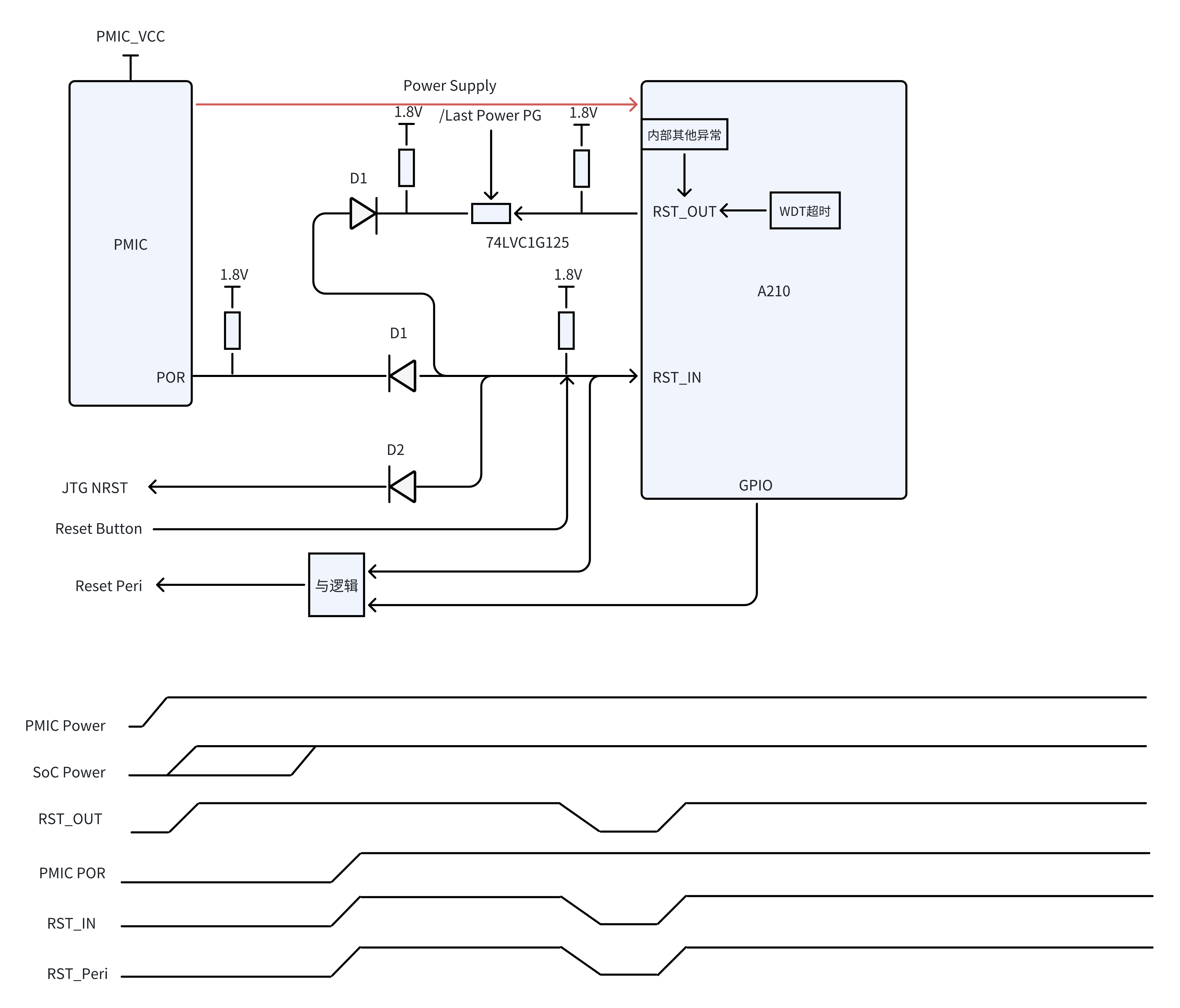
复位/看门狗
A210 复位相关主要涉及复位选择管脚 POR_SEL(Pin E6),复位输入管脚 RST_N_IN(Pin D14)和 Watchdog 输出管脚 RST_N_OUT(Pin F10),其功能描述如下表所示。
| 管脚 | 名称 | 功能 | 说明 |
|---|---|---|---|
| E6 | POR_SEL | 内外部复位选择 | 在上电时的状态选择内部复位或外部复位。
|
| D14 | RST_N_IN | 复位输入 | 芯片内部将 RST_N_IN 与内部 POR 进行与操作后,再用来复位 SOC,因此 RST_N_IN 任何时候都可以控制 A210 复位。POR 的复位时间由 CPU_JTG_TDO 的上下拉来确定。
|
| F10 | RST_N_OUT | Watchdog 输出 | 该信号可以通过 逻辑电路连接到 PMIC 的复位输入端或者开关机输入端,控制 PMIC 下电然后再上电。 常态输出高电平。当 A210 在 DVS 调节时内部出现异常或者内部 WDT 超时时,该信号拉低,此时整个芯片复位,需要 PMIC 将电源电压全部恢复到 boot 电压,并且重新复位 A210。 |
A210 的系统复位电路设计如下。
-
若 RST_N_OUT 有效时,若不考虑复位 PMIC 重新上电,则复位电路建议如下。
当 Reset Button、PMIC POR、JTG NRST 和 RST_N_OUT 拉低都会复位 SoC 和外设,当然 A210 也可以通过 IO 来单独控制外设复位。

-
若 RST_N_OUT 有效时需要复位 PMIC 重新上电。当 PMIC 有单独的复位输入管脚,则复位电路建议和上电/异常复位时序如下。

BOOT 设置
A210 的启动通过管脚 BOOT_SEL[2:0] 进行设置。

对应设置如下表所示。表中 1 为 4.7K 电阻上拉,0 为 1K 电阻下拉。
| BOOT_SEL[2] | BOOT_SEL[1] | BOOT_SEL[0] | BOOT MODE |
|---|---|---|---|
| 0 | 0 | 0 | USB Fastboot(先检测 CCTboot,超时 1s 则自动进入 USB Fastboot) |
| 0 | 0 | 1 | eMMC, 8 bit default |
| 0 | 1 | 0 | QSPI1 NOR Flash Boot, CS0 |
| 0 | 1 | 1 | QSPI1 NAND Flash Boot,CS0 |
| 1 | 0 | 0 | 强制 CCTBoot |
| 1 | 0 | 1 | SD Card Boot, SDIO0 |
| 1 | 1 | 0 | QSPI0 NOR Flash, CS0 |
| 1 | 1 | 1 | QSPI0 NAND Flash, CS0 |
系统初始化配置信号
A210 中有一些 STRAP 信号会影响系统的启动配置。SOC 内部复位信号是 RST_IN 和内部 POR 信号相与之后的输出,释放后大约 4ms 会去采样 STRAP 管脚的状态。因此在 RST_IN 释放前后的 10ms 内, STRAP 管脚的电平需要保持为稳定状态。
STRAP 管脚的信号可以使用上下拉电阻进行配置,其中上拉建议为 4.7K,下拉建议为 1K,所有 STRAP 信号上拉电源为 AVDD18_AON。
TEST_MODE 设计
TEST_MODE 管脚,用于 Test mode 选择。
具体说明及设计建议见下表。
| 信号 | 功能说明 | 设计建议 |
|---|---|---|
| TEST_MODE | TEST Mode选择管脚。0:Normal mode,1:Test mode。 | 下拉,默认功能模式 |
POR_SEL 设计
POR_SEL 管脚,用于内外部复位选择。
具体说明及设计建议见下表。
| 信号 | 功能说明 | 设计建议 |
|---|---|---|
| POR_SEL | 复位选择管脚。0:使用外部复位,1:使能内部复位。 | 预留电阻上拉但不上件,芯片内部默认下拉,默认关闭内部 POR。 |
DEBUG_MODE 设计
DEBUG_MODE 管脚,用于 debug mode 选择。
![]()
具体说明及设计建议见下表。
| 信号 | 功能说明 | 设计建议 |
|---|---|---|
| DEBUG_MODE | DEBUG Mode选择管脚。0:Normal mode,1:Debug mode。 | 下拉,默认为 Normal Mode。 |
MCM_EN & MCM_CHIP_ID 设计
MCM_EN 管脚,用于指示是单 DIE CHIP 还是多 DIE CHIP。
![]()
MCM_CHIP_ID[1:0] 管脚,用于 CHIP ID 识别。

具体说明及设计建议见下表。
| 信号 | 功能说明 | 设计建议 |
|---|---|---|
| MCM_EN | 用于指示是单 DIE CHIP还是多 DIE CHIP。 Bootrom 会根据该信号的不同电平执行不同的启动流程,对于单 DIE CHIP 设计,将该信号拉低,也可以通过软件配置使能单 DIE CHIP 的 D2D 功能。 | 单 Die 默认下拉,多 Die 上拉。 |
| MCM_CHIP_ID[1:0] | 多 Die CHIP 情况下用于表示 Chip ID 。 单 Chip 使用时,也会起作用。所以单 Chip 使用时不能增加上拉电阻,必须保证 Chip ID 为 00。 | 根据各芯片的 CHIP ID 号分别使用上下拉电阻。 |
注意:
在多 Die Chip 情况下,如下 IO 功能将被固定,无法修改。
GPIO 固定功能(多 Die 中不可配置) AOGPIO1_0 MCM_CHIP_ID0 注意单 Chip 时需保证下拉,不能增加上拉。 AOGPIO1_1 MCM_TIM_TICK AOGPIO1_6 AO12C2_SCL AOGPIO1_7 AO12C2_SDA AOGPIO1_9 MCM_CHIP_ID1 注意单 Chip 时需保证下拉,不能增加上拉。 GPIO0_14 OCD_RESP1 GPIO0_15 OCD_RESP2 GPIO0_16 OCD_RESP3 GPIO0_17 OCD_CMD GPIO1_16 OCD_CLK
PCIEX4_TYPE设计
PCIEX4_TYPE 管脚,用于 PCIE 模式选择。
![]()
具体说明及设计建议见下表。
| 信号 | 功能说明 | 设计建议 |
|---|---|---|
| PCIEX4_TYPE | PCIE TYPE 选择。0:EP,1:RC。 | 根据需求选择。 |
CPU_JTG_TDO设计
CPU_JTG_TDO 管脚,上电时用于内部 POR 复位时间选择。
![]()
具体说明及设计建议见下表。
| 信号 | 功能说明 | 设计建议 |
|---|---|---|
| CPU_JTG_TDO | 复位时间选择。0:20ms,1:80ms。 | 预留上拉电阻但不上件。芯片内部默认下拉,默认 20ms。 |
JTAG 和 UART Debug 电路
A210 芯片可以通过仿真器访问 CPU core。实际设计中建议预留 JTAG 电路,方便调试。预留电路参考如下。


JTAG设计注意点见下表。
| 序号 | 推荐设计 | 备注 |
|---|---|---|
| 1 | E902,C908, C920 共用一个 CPU JTAG 调试接口。 | CPU JTAG IO 属于 AVDD18_AON 电源域。 |
| 2 | CPU JTAG 接口 TCLK,预留 10K 上拉,默认不上件。 | |
| 3 | CPU JTAG 接口 TMS,预留 10K 上拉,默认不上件。 | |
| 4 | CPU JTAG 接口 TDI,预留 10K 上拉,默认不上件。 | |
| 5 | CPU JTAG 接口 TDO,芯片内部已下拉,外部预留上拉电阻,默认不上件。 | |
| 6 | CPU JTAG 接口 TRST,芯片内部上拉,预留 10K 上拉,默认不上件。 | |
| 7 | 用于复位系统,可以通过二极管连接到系统复位输入端。 | |
| 8 | JTAG 调试接口 VREF 电源,电压值为 1.8V,预留 0 欧姆电阻位置,如果有漏电现象,则将其换成肖特基二极管,或者大阻值电阻。 | |
| 9 | 所有 JTAG 信号连接器附近需要放置 ESD 器件。 |
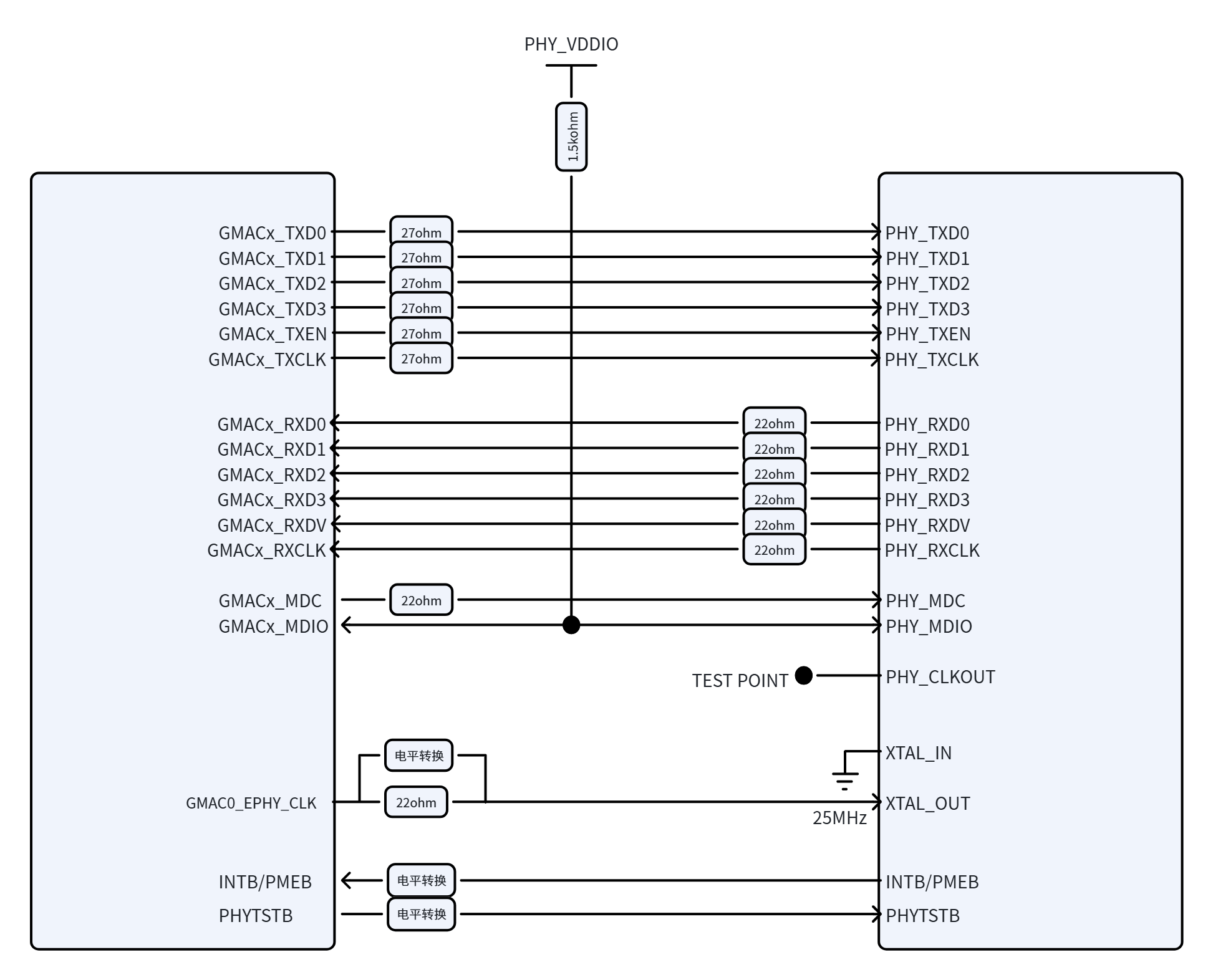
A210 的 UART debug 主要分为 E902 调试串口和 C908/C920 串口,E902 使用 AOUART,C908/C920 使用 UART4。


UART 接口增加 TVS 管,加强抗静电浪涌能力,防止开发过程损坏芯片管脚,实际设计中,尽量预留 2.54 插针金接口。如果无条件,建议使用 0.7mm 以上测试点,方便焊接。

DDR 电路
DDR 控制器介绍
A210 DDR 控制器接口支持 JEDEC SDRAM 标准接口,控制器特点如下。
- 兼容 LPDDR4/LPDDR4X 标准。
- 最大支持 2Rank。
- 支持 2 通道,每通道支持 32bit。
- 支持 DDR4 3200Mbps。
- LPDDR4/4x 最大速率支持 4266Mbps。
- 支持 ECC。
- DDR4 最大支持 16GB 容量。
- LPDDR4/4x 最大支持 16GB 容量。
- 不支持 UDIMM。
电路设计建议
A210 DDR PHY 和各 DRAM 颗粒原理图需要和参考设计图一致,包含电源去耦电容。A210 可支持 DDR4/LPDDR4/4X,这些 DRAM 具有不同 I/O 信号,根据 DRAM 类型选择对应的信号。请参考对应的 DRAM 参考设计图。
设计时需注意。
- DQ,CA 顺序按参考原理图上分配,走线直接参考 ZH 提供的 Demo,不允许做修改。
- DDR PHY ZQ 必须接 240ohm 1% 到 DVDD06_DDR_VDDQLP 电源上。
DDR 颗粒外围电路设计
- LPDDR4/4x 的颗粒 ZQ 必须接 240ohm 1% 到 DVDD06_DDR_VDDQLP 电源上。
- LPDDR4/4x 的颗粒 ODT_CA 必须接 10Kohm 到 DVDD11_DDR_VDDQ 电源上。
DDR 拓扑结构与匹配方式设计
-
LPDDR4/4x 2 颗 32bit 时,DQ/CA 采用点对点拓扑结构。

-
LPDDR4/4x DDR 1 颗 32bit 时,仅连接 DDR PHY CH0。
DDR 电源设计和要求
A210 DDR PHY 供电电源汇总如下。
| DDR PHY POWER | Min(V) | Typ(V) | Max(V) | |
|---|---|---|---|---|
| DDR PLL POWER | DVDD08_PLL | 0.72 | 0.8 | 0.96 |
| AVDD18_PLL | 1.62 | 1.8 | 1.98 | |
| DDR_PHY | DVDD_DDR | 0.74 | 0.8 | 0.88 |
| AVDD12_DDR_VDDQ_0 | 1.14/1.06 | 1.2/1.1 | 1.26/1.17 | |
| AVDD06_DDR_VDDQLP_0 | 0.57 | 0.6 | 0.65 | |
| AVDD18_DDR_VAA_0 | 1.67 | 1.8 | 1.98 | |
| AVDD12_DDR_VDDQ_1 | 1.14/1.06 | 1.2/1.1 | 1.26/1.17 | |
| AVDD06_DDR_VDDQLP_1 | 0.57 | 0.6 | 0.65 | |
| AVDD18_DDR_VAA_1 | 1.67 | 1.8 | 1.98 |
LPDDR4/4x 颗粒供电电源汇总如下。
| DDR 颗粒 POWER | LPDDR4 | LPDDR4x | |
|---|---|---|---|
| Core power 1 | VDD1 | 1.8 | 1.8 |
| Core power 2 | VDD2 | 1.1 | 1.1 |
| IO Buffer Power | VDDQ | 1.1 | 0.6 |
说明:
以上表格中电压值均为 Typ 值。
eMMC 电路
eMMC 控制器介绍
A210 提供 1 个 eMMC 控制器,具有如下特点。
- 兼容 5.1/5.0 规范。
- 支持 1bit、4bit、8bit 三种数据总线宽度。
- 支持 HS400 模式,向下兼容 HS200、DDR52 等模式。
支持从对应 eMMC Boot通过 BOOT_SEL[2:0] 进行设置,见下表。
| BOOT_SEL[2] | BOOT_SEL[1] | BOOT_SEL[0] | BOOT MODE |
|---|---|---|---|
| 0 | 0 | 1 | eMMC, 8 bit default |
eMMC 电路设计建议
eMMC 信号接法请按参考原理图,包含各路电源去耦电容。
eMMC 拓扑结构与匹配方式设计
eMMC 的外部信号连接示意图。

eMMC接口设计推荐如下表所示。
| 信号 | 设计方法 |
|---|---|
| EMMC_CLK | SoC 端串联 22Ω 电阻。信号走线长度不超过 2inch。 |
| EMMC_CMD | 直接相连,信号走线长度不超过 2inch。 |
| EMMC_DAT0~7 | 直接相连,信号走线长度不超过 2inch。 |
| EMMC_DS | EMMC 端串联 22ohm,信号走线长度不超过 2inch。如果对接的 EMMC 器件无 DS 管脚,SoC 的 EMMC_DS 管脚可以悬空处理。 |
| EMMC_RSTN | 直接相连,10kΩ 上拉电阻。 |
eMMC 上电时序要求
A210 芯片 eMMC 接口有 AVDD33_EMMC 和 AVDD18_EMMC 两个电源。要求如下。
| eMMC PHY POWER | Min (V) | Typ (V) | Max (V) | |
|---|---|---|---|---|
| CORE | DVDD08_TOP | 0.72 | 0.8 | 0.88 |
| VDDIO33 | AVDD33_EMMC | 2.97 | 3.3 | 3.63 |
| VDDIO18 | AVDD18_EMMC | 1.62 | 1.8 | 1.98 |
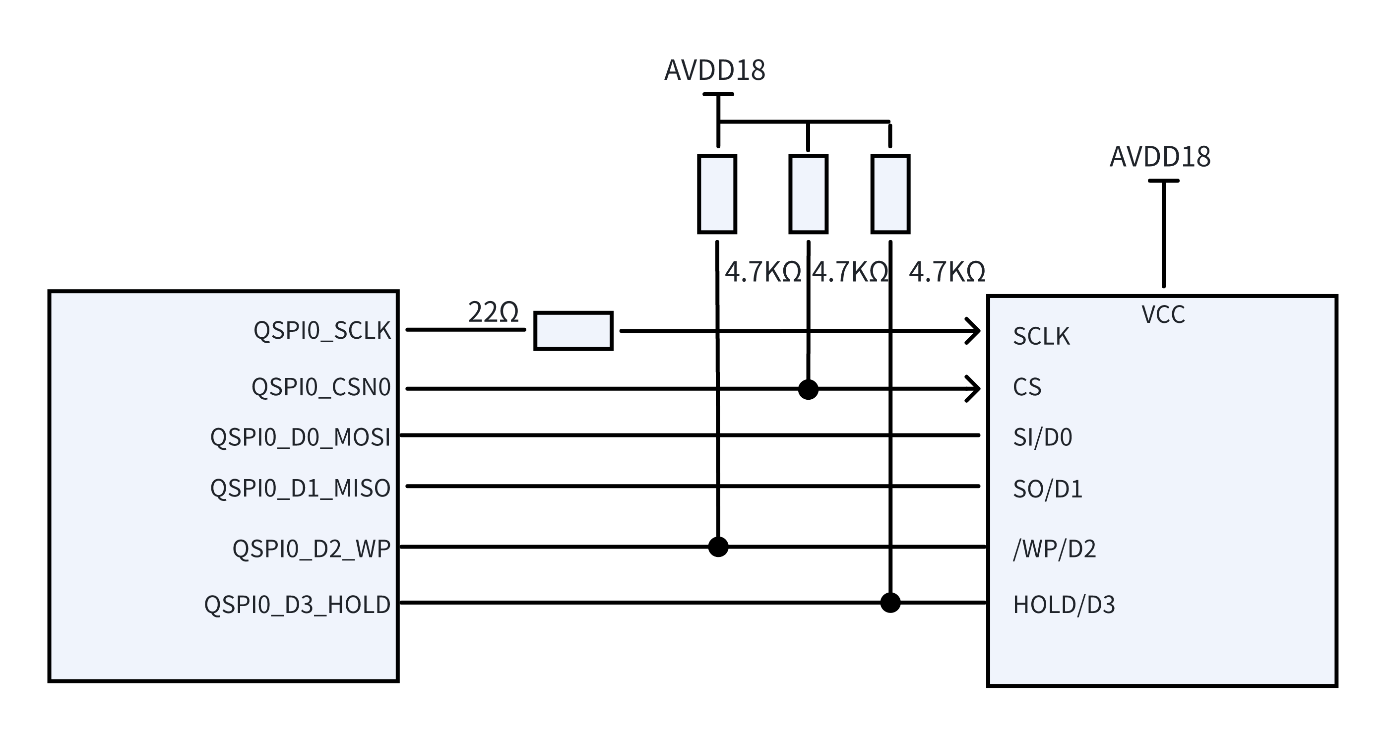
QSPI Flash 电路
QSPI Flash(支持 Boot)接口介绍
A210 芯片有 2 个 QSPI 控制器用来连接 QSPI 设备。特点如下。
- 支持串行 NOR Flash,串行 Nand Flash。
- 支持 1 线,2 线以及 4 线模式。
当 QSPI0/1 接 Nor Flash 或 NAND Falsh 时,支持从对应 Flash Boot 通过 BOOT_SEL[2:0] 进行设置,见下表。
| BOOT_SEL[2] | BOOT_SEL[1] | BOOT_SEL[0] | BOOT MODE |
|---|---|---|---|
| 0 | 1 | 0 | QSPI1 NOR Flash Boot, CS0 |
| 0 | 1 | 1 | QSPI1 NAND Flash Boot,CS0 |
| 1 | 1 | 0 | QSPI0 NOR Flash, CS0 |
| 1 | 1 | 1 | QSPI0 NAND Flash, CS0 |